Для чего нужна пускорегулирующая аппаратура
Прежде чем мы начнем разговор о дросселе, разберемся, что такое пускорегулирующая аппаратура и для чего она нужна. Для того чтобы ответить на эти вопросы, необходимо понять, как работает люминесцентная лампа (ЛДС). Взглянем на ее схематическое изображение.
Перед нами стеклянная колба в виде трубки, в концы которой впаяны две спирали из вольфрама – анод и катод. Сама трубка заполнена инертным газом с небольшим добавлением ртути. Если на анод и катод подать рабочее напряжение, то лампа не засветится – слишком велико сопротивление инертного газа, и тока между электродами не будет.
Для того чтобы прибор запустить, необходимо разогреть спирали. Как только они разогреются, начнется термоэлектронная эмиссия, такая же, как в обычной электронной вакуумной лампе для радиоприемников. Между электродами начнет течь ток, а пары ртути станут излучать ультрафиолет. Попадая на люминофор, ультрафиолет заставляет его ярко светиться. Само же УФ излучение практически полностью поглощается стеклом и люминофором.
Пуск ДЛС обеспечивает специальный прибор – стартер, который кратковременно подает на спирали напряжение (о схеме его включения поговорим позже). Он является пусковой частью пускорегулирующей аппаратуры.
Стартеры для запуска ДЛС
Заставить лампу работать (как говорят, «запустить») можно и другим способом, кратковременно подав на электроды повышенное напряжение. Именно так и работают электронные пускорегулирующие аппараты, о которых поговорим позже.
Но после пуска ЛДС начинаются новые проблемы: тлеющий разряд в колбе переходит в дуговой и мгновенно приводит к короткому замыканию. Чтобы этого не произошло, ток через лампу во время ее работы необходимо ограничивать. Эту роль исполняет еще один прибор – электромагнитный балласт. Он является регулирующей частью пускорегулирующей аппаратуры.
ЭмПРА для ЛДС мощностью 36 Вт
Таким образом, без стартера лампа не запустится, без балласта – сгорит. Комплекс этих двух устройств и называют пускорегулирующим. Теперь, я думаю, тебе понятно, для чего пускорегулирующая аппаратура нужна, и что без нее никак не обойтись.
Важно! Мощность дросселя должна соответствовать мощности лампы. В противном случае лампа либо тут же погаснет, либо не запустится вовсе, либо сгорит
Как подключить лампу
Люминесцентную лампу можно подключить несколькими способами. Выбор зависит от условий эксплуатации и предпочтений пользователя.
Подключение с использованием электромагнитного балласта
Распространен метод подключения с использованием стартера и ЭмПРА. Питание в сети запускает стартер, который замыкает биметаллические электроды.
Ограничение тока в схеме осуществляется за счет внутреннего дроссельного сопротивления. Рабочий ток можно увеличить практически в три раза. Стремительный нагрев электродов и появление процесса самоиндукции вызывают зажигание.

Подключение при помощи ЭмПРА.
Сравнивая метод с другими схемами подключения ламп дневного света, можно сформулировать недостатки:
- значительный расход электроэнергии;
- длительный запуск, который может занимать 3 с;
- схема не способна функционировать в условиях пониженных температур;
- нежелательное стробоскопическое мигание, негативно влияющее на зрение;
- дроссельные пластинки по мере износа могут издавать гудение.
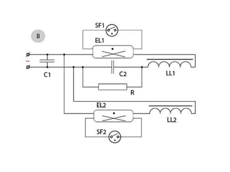
Схема включает один дроссель на две лампочки, для одноламповой системы метод не подойдет.
Две трубки и два дросселя
В данном случае реализуется последовательное подключение нагрузок с подачей фазы на вход сопротивления.
Выход через фазу соединяется с контактом осветительного прибора. Второй контакт направляется на нужный вход стартера.

Схема с двумя трубками и двумя дросселями.
От стартера контакт идет к лампе, а свободный полюс — к нулю схемы. Так же подключается второй светильник. Подсоединяется дроссель, после чего монтируется колба.
Схема подключения двух ламп от одного дросселя
Для подсоединения двух осветительных приборов от одного стабилизатора потребуется два стартера. Схема экономная, поскольку дроссель это наиболее дорогой компонент системы. Схема показана на рисунке ниже.

Схема подключения двух светильников от одного дросселя.
Электронный балласт
Электронный балласт представляет собой современный аналог традиционного электромагнитного стабилизатора. Он значительно улучшает пуск схемы и делает использование осветительного прибора более комфортным.

Такие аппараты не гудят во время работы и потребляют значительно меньше электроэнергии. Мерцаний не появляется даже при низких частотах напряжения.

Подключение с помощью электронного балласта.
Обмотки трансформатора в данном случае включаются противофазно, а генератор нагружается высокочастотным напряжением. При подаче резонансного напряжения внутри колбы происходит пробой газовой среды, который порождает необходимое свечение.
Сразу после розжига сопротивление и подаваемое на нагрузку напряжение падают. Запуск при помощи схемы обычно занимает не более секунды. Причем можно легко использовать источники освещения без стартера.
Использование умножителей напряжения

Использование умножителей напряжения.
Метод помогает использовать люминесцентную лампу без электромагнитной балансировки. В ряде случаев он наиболее эффективен и продлевает срок службы аппарата. Даже перегоревшие приборы способны проработать некоторое время при мощностях, не превышающих 40 Вт.
Схема выпрямления дает значительное ускорение и возможность увеличить напряжение в два раза. Для его стабилизации используются конденсаторы.

Тематическое видео: Подробно про умножитель напряжения
Важно помнить, что люминесцентные лампочки не предназначены для работы с постоянным током. С течением времени ртуть скапливается в определенном участке, что снижает яркость
Для восстановления показателя необходимо периодически менять полярность, переворачивая колбу. Можно установить переключатель, чтобы не разбирать прибор.
Подключение без стартера

Схема подключения без стартера.
Стартер увеличивает время разогрева прибора. Однако он недолговечен, поэтому пользователи задумываются о подключении освещения без него через вторичные трансформаторные обмотки.
В продаже можно найти аппараты с маркировкой RS, которая говорит о возможности подключения без стартера. Установка такого элемента в осветительный прибор помогает значительно сократить время зажигания.
Люминесцентная лампа: принцип действия, достоинства и недостатки
— Принцип действия люминесцентных ламп
— Достоинства и недостатки люминесцентных ламп
Принцип действия Принцип действия люминесцентной лампы низкого давления основан на дуговом разряде в парах ртути низкого давления. Получающееся при этом ультрафиолетовое излучение преобразуется в видимое в слое люминофора, покрывающего внутренние стенки лампы. Лампы представляют собой длинные стеклянные трубки, в торцы которых впаяны ножки, несущие по два электрода, между которыми находится катод в виде спирали. В трубку лампы введены пары ртути и инертный газ, главным образом аргон. Назначением инертных газов является обеспечение надежного загорания лампы и уменьшение распыления катодов. На внутреннюю поверхность трубки нанесен слой люминофора. Если к электродам, вставленным в концы стеклянной трубки, которая заполнена разряженным инертным газом или парами металла, приложить напряжение из расчета не менее 500. 2000 В на 1 м длины трубки, то свободные электроны в полости трубки начинают лететь в сторону электрода с положительным зарядом. Когда к электродам приложено переменное напряжение, направление движения электронов изменяется с частотой приложенного напряжения.В своем движении электроны встречаются с нейтральными атомами газа — заполнителя полости трубки — и ионизируют их, выбивая электроны с верхней орбиты в пространство. Возбужденные таким образом атомы, вновь сталкиваясь с электронами, снова превращаются в нейтральные атомы. Это обратное превращение сопровождается излучением кванта световой энергии. Каждому инертному газу и парам металла соответствует свой спектральный состав излучаемого света: . трубки с гелием светятся светло-желтым или бледно-розовым светом; • трубки с неоном — красным светом; трубки с аргоном — голубым светом. Смешивая инертные газы или нанося люминофоры на поверхность разрядной трубки, получают различные оттенки свечения. Люминесцентные лампы дневного и белого света выполняют в виде прямой или дугообразной трубки из обычного стекла, не пропускающего короткие ультрафиолетовые лучи. Электроды изготавливают из вольфрамовой проволоки. Трубку заполняют смесью аргона и паров ртути. Внутри поверхность трубки покрыта люминофором — специальным составом, который светится под воздействием ультрафиолетовых лучей, возникающих при электрическом разряде в парах ртути. Аргон способствует надежному горению разряда в трубке.
Достоинства люминесцентных ламп. Основным преимуществом люминесцентных ламп по сравнению с лампами накаливания являются: . более высокий коэффициент полезного действия (15. 20%), высокая световая отдача и в несколько раз больший срок службы. Таким образом, при затрате той же мощности достигается значительно большая освещенность по сравнению с лампами накаливания; . правильный выбор ламп по цветности может создать освещение, близкое к естественному; о благоприятные спектры излучения, обеспечивающие высокое качество цветопередачи; . люминесцентные лампы значительно менее чувствительны к повышениям напряжения, поэтому их экономично применять на лестничных клетках и в помещениях, освещаемых ночью, когда в сети напряжение повышено. Лампы накаливания (очень чувствительные к повышениям напряжения) быстро перегорают; . малая себестоимость; . низкая яркость поверхности и ее низкая температура (до 50 °С) Недостатки люминесцентных ламп Основным недостатками люминесцентных ламп по сравнению с лампами накаливания являются: « сложность схемы включения; • ограниченная единичная мощность (до 150 Вт); • зависимость от температуры окружающей среды (при снижении температуры лампы могут гаснуть или не зажигаться); » значительное снижение светового потока к концу срока службы; • вредные для зрения пульсации светового потока; » акустические помехи и повышенная шумность работы; в при снижении напряжения сети более чем на 10% от номинального значения лампа не зажигается; » дополнительные потери энергии в пускорегулирующеи аппаратуре, достигающие 25. 35% мощности ламп; • наличие радиопомех; • лампы содержат вредные для здоровья вещества, поэтому вышедшие из строя газоразрядные лампы требуют тщательной утилизации.
Принцип работы люминесцентного светильника
Особенность работы люминесцентных светильников заключается в том, что их нельзя напрямую подключать в сеть питания. Сопротивление между электродами в холодном состоянии большое, и величина тока, протекающего между ними, недостаточна для возникновения разряда. Для зажигания требуется импульс высокого напряжения.
Лампа с зажженным разрядом характеризуется низким сопротивлением, которое имеет реактивную характеристику. Для компенсации реактивной составляющей и ограничения протекающего тока последовательно с люминесцентным источником света включается дроссель (балласт).
Многим непонятно, для чего нужен стартер в люминесцентных лампах. Дроссель, включенный в цепь питания совместно со стартером, формирует импульс высокого напряжения для запуска разряда между электродами. Так получается потому, что при размыкании контактов стартера на выводах дросселя формируется импульс ЭДС самоиндукции величиной до 1кВ.
Watch this video on YouTube
Для чего нужен дроссель
Использование дросселя для люминесцентных ламп (балласта) в цепях питания необходимо по двум причинам:
- формирование напряжения запуска;
- ограничение тока через электроды.
Принцип работы дросселя основан на реактивном сопротивлении катушки индуктивности, которой является дроссель. Индуктивное сопротивление вносит сдвиг фаз между напряжением и током, равный 90º.
Из того, что ограничивающей ток величиной, является индуктивное сопротивление, следует, что дроссели, предназначенные для ламп одной мощности, нельзя использовать для подключения более или менее мощных устройств.
В некоторых пределах возможны допуски. Так, ранее отечественная промышленность выпускала люминесцентные светильники с мощностью 40 Вт. Дроссель 36W для люминесцентных ламп современного производства можно без опасений использовать в цепях питания устаревших светильников и наоборот.
Отличия дросселя от ЭПРА
Дроссельная схема включения люминесцентных источников освещения отличается простотой и высокой надежностью. Исключение составляет регулярная замена стартеров, поскольку в их состав входит группа размыкающих контактов для формирования импульсов запуска.
В то же время схема имеет существенные недостатки, которые заставили искать новые решения включения ламп:
- длительное время запуска, которое увеличивается по мере износа лампы или снижения напряжения питания;
- большие искажения формы напряжения питающей сети (cosф<0.5);
- мерцание свечения с удвоенной частотой питающей сети из-за малой инерционности светимости газового разряда;
- большие массо-габаритные характеристики;
- низкочастотный гул из-за вибрации пластин магнитной системы дросселя;
- низкая надежность запуска при отрицательных температурах.
Проверка дросселя ламп дневного света затрудняется тем, что приборы для определения короткозамкнутых витков распространены мало, а при помощи стандартных приборов можно только констатировать факт наличия или отсутствия обрыва.
Для устранения указанных недостатков разработаны схемы электронной пуско-регулирующей аппаратуры (ЭПРА). Работа электронных схем основана на другом принципе формирования высокого напряжения запуска и поддержания горения.
Watch this video on YouTube
Высоковольтный импульс генерируется электронными компонентами, а для поддержки разряда используется высокочастотное напряжение (25-100 кГц). Работа ЭПРА может осуществляться в двух режимах:
- с предварительным подогревом электродов;
- с холодным запуском.
В первом режиме на электроды подается низкое напряжения в течение 0.5-1 секунды для первоначального нагрева. По истечении времени подается высоковольтный импульс, из-за которого происходит зажигание разряда между электродами. Данный режим технически реализуется сложнее, но увеличивает срок службы ламп.
Режим холодного запуска отличается тем, что напряжение запуска подается на непрогретые электроды, вызывая быстрое включение. Такой способ запуска не рекомендован для частого использования, поскольку сильно сокращает срок работы, но его можно использовать даже с лампами с неисправными электродами (с перегоревшими нитями накала).
Схемы с электронным дросселем имеют такие преимущества:
полное отсутствие мерцания; широкий температурный диапазон использования; малые искажения формы напряжения сети; отсутствие акустических шумов; увеличение срока службы источников освещения; малые габариты и вес, возможность миниатюрного исполнения; возможность диммирования — изменения яркости путем управления скважности импульсов питания электродов
Общий принцип работы элемента
По сути, балласт для люминесцентных ламп представляет собой дроссель. Он регулирует силу подачи тока, ограничивая или разделяя разночастотные электрические сигналы. Ликвидирует пульсации постоянного тока. Происходит нагрев катодов люминесцентных ламп.
Далее, на них производится подача необходимого количества напряжения, которое активирует работу осветительного прибора. Напряжение корректируется с помощью особого регулятора, который впаян в инверторную схему. Именно он отлаживает диапазон напряжений. За счет вышеперечисленных особенностей работы балласта мерцание в источнике света полностью исключается.
В схему встроен и стартер. Его функции – трансляция напряжения и зажигание. При включении лампы, на микросхеме балласта происходит снижение силы тока. Данная особенность позволяет выстроить необходимый режим работы осветительного прибора.
Сегодня на рынке широко представлены такие виды балластных устройств, как:
- электромагнитные;
- электронные;
- балласты для компактных ламп.
Представленные категории отмечены надёжной работой и обеспечивают длительное функционирование и простоту эксплуатации всех люминесцентных ламп. Все эти приборы имеют идентичный принцип действия, однако отличаются по некоторым пунктам.
Электромагнитные
Данные балласты применимы для ламп, подключенных к электросети при помощи стартера. Первично возникающий разряд интенсивно разогревает и замыкает биметаллические электродные элементы. Происходит резкое увеличение рабочего тока.
Электромагнитный балласт легко узнать по внешнему виду. Конструкция более массивная, по сравнению с электронным прототипом.
При выходе из строя стартера, в схеме электромагнитного балласта, возникает фальстарт. При поступлении питания лампа начинает мигать, впоследствии идёт ровная подача электроэнергии. Эта особенность значительно снижает рабочий ресурс источника освещения.
| Плюсы | Минусы |
| Высококлассный уровень надежности, доказанный практикой и временем. | Долгий запуск — на первом этапе эксплуатации запуск осуществляется за 2-3 секунды и до 8 секунд к моменту завершения срока службы. |
| Простота конструкции. | Повышенный расход электроэнергии. |
| Удобство эксплуатации модуля. | Мерцание лампы с частотой 50 Гц (эффект стробирования). Негативно влияет на человека, который длительно находится в помещении с подобным видом освещения. |
| Доступная цена для потребителей. | Слышен гул работы дросселя. |
| Количество фирм производителей. | Значительный вес конструкции и громоздкость. |
Электронные
Сегодня применяются магнитные и электронные балластники, которые состоят в первом случае из микросхемы, транзисторов, динисторов и диодов, а во втором – из металлических пластин и медного провода. Посредством стартера лампы запускаются, причем в качестве единой функции этого элемента с балластником в одной схеме организовано явление в электронном варианте детали.
- малый вес и компактность;
- плавное быстрое включение;
- в отличие от электромагнитных конструкций, которым для работы требуется сеть 50 Гц, высокочастотные магнитные аналоги функционируют без шумов от вибрации и мерцания;
- снижены потери на нагревание;
- коэффициенты мощности в электронных схемах достигают 0,95;
- продленный срок эксплуатации и безопасность применения обеспечиваются несколькими видами защиты.
| Достоинства | Недостатки |
| Автоматическая настройка балласта под различные виды ламп. | Более высокая стоимость, по сравнению с электромагнитными моделями. |
| Моментальное включение осветительного прибора, без дополнительной нагрузки на устройство. | |
| Экономия потребления электроэнергии до 30%. | |
| Исключен нагрев электронного модуля. | |
| Ровная световая подача и отсутствие шумовых эффектов в процессе освещения. | |
| Увеличение срока службы люминесцентных ламп. | |
| Дополнительная защита гарантирует увеличение степени пожаробезопасности. | |
| Снижение рисков в процессе эксплуатации. | |
| Ровная подача светопотока исключает быструю утомляемость. | |
| Отсутствие негативных функций в условиях пониженных температур. | |
| Компактность и легкость конструкции. |
Для компактных люминесцентных ламп
Компактные типы ламп дневного света представлены приборами, аналогичным лампой накаливания типов Е27, Е40 и Е14. В таких схемах электронные балласты встраиваются вовнутрь патрона. В данной конструкции исключён ремонт в случае поломки. Дешевле и практичнее будет приобрести новую лампу.
Принцип работы люминесцентного светильника
Особенность работы люминесцентных светильников заключается в том, что их нельзя напрямую подключать в сеть питания. Сопротивление между электродами в холодном состоянии большое, и величина тока, протекающего между ними, недостаточна для возникновения разряда. Для зажигания требуется импульс высокого напряжения.
Лампа с зажженным разрядом характеризуется низким сопротивлением, которое имеет реактивную характеристику. Для компенсации реактивной составляющей и ограничения протекающего тока последовательно с люминесцентным источником света включается дроссель (балласт).
Многим непонятно, для чего нужен стартер в люминесцентных лампах. Дроссель, включенный в цепь питания совместно со стартером, формирует импульс высокого напряжения для запуска разряда между электродами. Так получается потому, что при размыкании контактов стартера на выводах дросселя формируется импульс ЭДС самоиндукции величиной до 1кВ.
Watch this video on YouTube
Для чего нужен дроссель
Использование дросселя для люминесцентных ламп (балласта) в цепях питания необходимо по двум причинам:
- формирование напряжения запуска;
- ограничение тока через электроды.
Принцип работы дросселя основан на реактивном сопротивлении катушки индуктивности, которой является дроссель. Индуктивное сопротивление вносит сдвиг фаз между напряжением и током, равный 90º.
Из того, что ограничивающей ток величиной, является индуктивное сопротивление, следует, что дроссели, предназначенные для ламп одной мощности, нельзя использовать для подключения более или менее мощных устройств.
В некоторых пределах возможны допуски. Так, ранее отечественная промышленность выпускала люминесцентные светильники с мощностью 40 Вт. Дроссель 36W для люминесцентных ламп современного производства можно без опасений использовать в цепях питания устаревших светильников и наоборот.
Отличия дросселя от ЭПРА
Дроссельная схема включения люминесцентных источников освещения отличается простотой и высокой надежностью. Исключение составляет регулярная замена стартеров, поскольку в их состав входит группа размыкающих контактов для формирования импульсов запуска.
В то же время схема имеет существенные недостатки, которые заставили искать новые решения включения ламп:
- длительное время запуска, которое увеличивается по мере износа лампы или снижения напряжения питания;
- большие искажения формы напряжения питающей сети (cosф
- мерцание свечения с удвоенной частотой питающей сети из-за малой инерционности светимости газового разряда;
- большие массо-габаритные характеристики;
- низкочастотный гул из-за вибрации пластин магнитной системы дросселя;
- низкая надежность запуска при отрицательных температурах.
Проверка дросселя ламп дневного света затрудняется тем, что приборы для определения короткозамкнутых витков распространены мало, а при помощи стандартных приборов можно только констатировать факт наличия или отсутствия обрыва.
Для устранения указанных недостатков разработаны схемы электронной пуско-регулирующей аппаратуры (ЭПРА). Работа электронных схем основана на другом принципе формирования высокого напряжения запуска и поддержания горения.
Watch this video on YouTube
Высоковольтный импульс генерируется электронными компонентами, а для поддержки разряда используется высокочастотное напряжение (25-100 кГц). Работа ЭПРА может осуществляться в двух режимах:
- с предварительным подогревом электродов;
- с холодным запуском.
В первом режиме на электроды подается низкое напряжения в течение 0.5-1 секунды для первоначального нагрева. По истечении времени подается высоковольтный импульс, из-за которого происходит зажигание разряда между электродами. Данный режим технически реализуется сложнее, но увеличивает срок службы ламп.
Режим холодного запуска отличается тем, что напряжение запуска подается на непрогретые электроды, вызывая быстрое включение. Такой способ запуска не рекомендован для частого использования, поскольку сильно сокращает срок работы, но его можно использовать даже с лампами с неисправными электродами (с перегоревшими нитями накала).
Схемы с электронным дросселем имеют такие преимущества:
полное отсутствие мерцания;
широкий температурный диапазон использования;
малые искажения формы напряжения сети;
отсутствие акустических шумов;
увеличение срока службы источников освещения;
малые габариты и вес, возможность миниатюрного исполнения;
возможность диммирования — изменения яркости путем управления скважности импульсов питания электродов.
Проверка работоспособности системы
Каждый заново созданный продукт (и любое техническое изделие таковым является) после изготовления следует протестировать. Это комплексный процесс, состоящий из проверок на безопасность, функционирование, полноту возможностей, соответствие техническим стандартам и нормам.
Функциональное тестирование даёт полную информацию о состоянии проверяемого продукта на текущий момент, а также подробное описание недоработок и перспективы их устранения. В ходе анализа учитывается специфика продукта и требования к нему.
Люминесцентные лампы в своём составе имеют вольфрамовую нить накаливания. Для повышения срока её живучести нить покрывается слоем активного щелочного металла. Но при частых и многочисленных включениях и выключениях защитное покрытие осыпается и нить перегорает. Проверить, цела ли нить накала, легко можно мультиметром. При нарушении герметичности баллона в лампу попадает воздух, и такую лампу следует заменять.
Неисправность дросселя обнаруживается по его гудению, мерцанию лампы, появлению «змеек» внутри лампы, слишком короткой работе после включения. Сгоревший дроссель пахнет горелым, он ремонту не подлежит, надо только менять
Устройство и принцип работы
Работа осуществляется благодаря пуско-регулирующему устройству, состоящему из индуктивного дросселя.
Схема устройства лампы ДРЛ
Состоит такое устройство из трёх основных компонентов:
- Цоколь – является основанием и подключается к сети.
- Кварцевая горелка – центральный механизм прибора.
- Стеклянная колба – основная защитная оболочка из стекла.
Принцип работы такого устройства очень простой, к лампе подходит напряжение от сети. Ток, доходит к промежутку между одной и второй пар электродов, которые размещены на разных концах лампы. Благодаря небольшому расстоянию, газы легко ионизуются. После ионизации в промежутках между дополнительными электродами, ток поступает на основные, после чего лампа начинает светиться.
Максимально лампа разгорается примерно через семь-десять минут. Это обусловлено тем, что ртуть, которая излучает свет при зажигании, находится сгустком или налётом на стенках колбы и ей необходимо время разогреться. Период полного включения увеличивается спустя некоторое время при эксплуатации.
Классифицируют дрл ламы по форме цоколя, мощности, принципу установки. Очень часто их изготовляют с разного материала, что также может являться классификацией устройств. Существуют разновидности с добавкой особых паров в конструкцию, например, такие как натриевые лампы, металлогалогенные и ксеноновые.
Существует разновидность с дополнительным излучением красного спектра света. Они называются дуговыми ртутно-вольфрамовыми. Их внешний вид абсолютно не отличается от стандартного устройства дрл 250, но в своей конструкции они имеют специальную накаливающуюся спираль, которая и добавляет красный спектр к световому потоку.
Функционирование
Электропроводная катушка, ограничивающая ферромагнитный сердечник, работает по принципу самоиндукции. При детальном рассмотрении прибора становится понятно, что он функционирует как электрический трансформатор, но при этом оснащен дополнительной обмоткой. Сердечник специально изолируют, чтобы в электронике не создавались дополнительные помехи.
Катушка обладает высокой индуктивностью, но весь механизм считается низкочастотным. Диапазон колебания тока составляет от 20 до 100 кГц. По этому критерию дроссели делят на низкие, ультразвуковые и сверхвысокие. В последних отсутствует сердечник, вместо него используется обычный резистор или пластиковый каркас.
Технико-эксплуатационные характеристики
В процессе нагрева стеклянной колбы разбросанная по ее поверхности ртуть (в форме капель) начинает испаряться. Чем сильнее процесс испарения, тем прочнее разряд между электродами и катодами. Номинальный режим лампы ДРЛ — момент, когда все капли ртути преобразуются в пар.
Изделие характеризуется повышенной чувствительностью к скачкам температуры, поэтому его функциональность без колбы невозможна (исходя из физических законов).
Колба отвечает за две важные функции:
- Барьер между газоразрядной камерой с парами ртути и окружающей средой.
- Ускорение процесса преобразования ультрафиолетовых лучей в спектр красного свечения, что возможно благодаря наличию на стенках люминофора. К красному свечению добавляется зеленое, формируемое внутренним разрядом, что приводит к возникновению белого света.

Скачки напряжения сильно влияют на работу лампы ДРЛ. Отклонение от номинального значения на 10–15 % считается допустимым, но если эта величина будет равна 25–30 %, то свечение станет неравномерным. При еще большем уменьшении лампа либо не загорится, либо погаснет (если до этого была в работе).
Расшифровка маркировки изделий очень проста — число указывает на модель лампы, которая совпадает с номинальной мощностью.
В таблице ниже представлены параметры конкретных моделей ДРЛ:
| Модель | Номинальное напряжение, В | Мощность, Вт | Длина, мм | Диаметр, мм | Цоколь | Световой поток, лм | Долговечность, ч |
|---|---|---|---|---|---|---|---|
| ДРЛ-125 | 125 | 125 | 177 | 77 | E27 | 6000 | 12 000 |
| ДРЛ-250 | 130 | 250 | 227 | 90 | E40 | 13 500 | 15 000 |
| ДРЛ-400 | 135 | 400 | 290 | 121 | E40 | 25 000 | 18 000 |
| ДРЛ-700 | 140 | 700 | 356 | 151 | E40 | 40 000 | 20 000 |
| ДРЛ-1000 | 145 | 1000 | 412 | 168 | E40 | 60 000 | 18 000 |
Как работает экономка
Внешний облик ламп дневного света может быть различным. Несмотря на это они имеют одинаковый принцип работы, который реализуется благодаря следующим элементам, которые обычно содержит схема прибора:
- электродов;
- люминофор – специальное люминесцентное покрытие;
- стеклянная колба с инертным газом и парами ртути внутри.

Строение люминесцентной лампочки
Такая лампа дневного света представляет собой газоразрядное устройство с герметичной стеклянной колбой. Газовая смесь внутри колбы подобрана таким образом, чтобы снижать затраты энергии, необходимые на поддержку процесса ионизации.
Для этого на электроды люминесцентной лампы подается на электроды напряжение конкретной величины. Они расположены в противоположных сторонах стеклянной колбы. Каждый электрод имеет два контакта, которые соединяются с источником тока. Таким образом происходит обогрев пространства вблизи электродов.
Фактическая схема подключения данного источника света состоит из серии последовательных действий:
- нагрев электродов;
- далее на них осуществляется подача высоковольтного импульса;
- в электроцепи поддерживается оптимальное напряжение для создания тлеющего разряда.
В результате этого в колбе образуется ультрафиолетовое невидимое свечение, которое, проходя через люминофор, становится видимым для человеческого глаза.
Чтобы поддерживать напряжение для создания тлеющего разряда, схема работы люминесцентных ламп предполагает подключение следующих приспособлений:
дросселя. Он выступает в роли балласта и предназначен для ограничения силы тока, текущего по прибору, до оптимального уровня;

Дроссель для люминесцентных лампочек
стартера. Он предназначен для защиты лампы дневного света от перегрева. При этом он регулирует накал электродов.
Очень часто причиной поломки экономок является выход из строя электронной начинки балласта или перегорания стартера. Чтобы этого избежать, можно не использовать в подключении перегорающие детали.

Стандартная схема соединения
Стандартная схема, применяемая для подключения люминесцентных ламп, может быть видоизменена (идти без дросселя). Это позволит минимизировать рис выхода из строя осветительного прибора.

Вариант включения без балласта
Как мы выяснили, балласт в устройстве лампы дневного света играет важную роль. При этом на сегодняшний день существует схема, при которой можно избежать включение данного элемента, который очень часто выходит из строя. Можно избежать включения, как балласта, так и стартера.
Как видим, данная схема не содержит нить накала. При этом питание ламп/трубки здесь будет осуществляться через диодный мост, который и будет создавать повышенное постоянное напряжение. Но в такой ситуации необходимо помнить о том, что при данном способе питания осветительное изделие может потемнеть с одной стороны.
В реализации приведенная выше схема достаточно проста. Ее можно реализовать при помощи старых компонентов. Для такого типа подключения можно использовать следующие элементы:
- трубка/источник света мощностью 18 Вт;
- сборка GBU 408. Она будет выступать в роли диодного моста;

Диодный мост
конденсаторы с рабочим напряжением не превышающего 1000 В, имеющие емкость 2 и 3 нФ.

Собранная схема
Необходимо помнить о том, что подбор диодов для диодного моста, а также конденсаторов необходимо осуществляться с запасом по напряжении.
Осветительный прибор, собранный таким образом будет давать свечение немного меньшее по яркости, чем при использовании стандартного варианта подключения с использованием дросселя и стартера.
Выводы и полезное видео по теме
Тонкости сборки схемы из двух ЛЛ с последовательным включением:
Видеоролик о том, что такое дроссель и зачем он нужен:
Проверка дросселя на предмет поломки:
О правилах выбора дросселя в зависимости от типа разрядной лампы:
Ознакомившись с назначением и устройством дросселей, используемых для запуска люминесцентных лампочек, можно вооружиться схемой подключения и попытаться реализовать ее самостоятельно. Правда, это актуально для дома.
В общественных учреждениях решение подобных вопросов следует доверить электрикам, имеющим спецдопуск к электромонтажным работам.










