Выбор способа разводки воды в квартире
Разводка водопроводной магистрали может выполняться тройниковым методом (его причисляют к классическим вариантам). А может быть произведена современным коллекторным способом.
Первый метод – это последовательное проведение магистрали от общего стояка к местам разбора. Вначале отводят главные ветки с различной водой, а затем посредством тройника вода продвигается по ответвлениям.
Классическая схема имеет следующие плюсы.
- Небольшая цена.
- Компактные габариты.
- Простая прокладка.
А недостатки у нее следующие.
- Постоянные перепады давления.
- Невозможность перекрытия одной точки потребления.
- Тройники не всегда удобно размещать в ванной комнате или туалете.
- Для маленькой квартиры такая разводка приемлема, но в большом загородном доме это вызовет кучу неудобств.
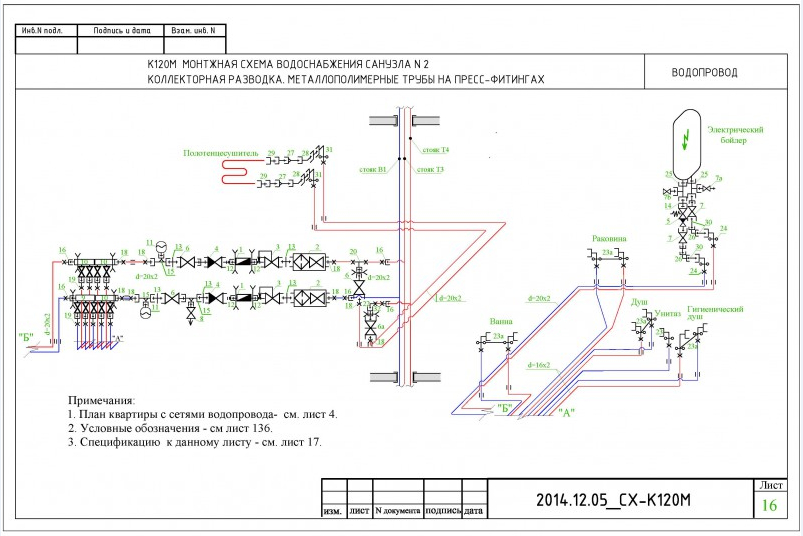
Коллекторная разводка, проводимая для водоснабжения в квартире или частном доме это способ, при котором к каждой точке забора выводится индивидуальная труба. При коллекторной конструкции в квартире мойка, туалет, душевая кабинка и все остальные сантехнические приборы подают воду в необходимом количестве независимо один от другого.
Все трубы подводят к коллектору, который стоит на входе магистрали в жилье. Коллекторная конструкция – это система, оснащенная одним вводом и несколькими выходами. При подсоединении к нему учитывается не только количество вентилей, но и количество всех сантехнических приборов.
Коллекторная разводка труб водоснабжения в квартире имеет многочисленные преимущества:
- Первое – это возможность отключения воды на одной из точек, без ущерба другим водозаборным местам.
- Краны управления данной системой расположены в одной зоне, и к ним всегда имеется свободный доступ.
- Постоянная стабильность давления в магистрали (смотрите оптимальное значение).
- Риски поломок сводятся к минимуму. А если нужно провести ремонт, то его можно провести легко и быстро.
- Все точки водозабора имеют одинаковый уровень температуры воды.
- В случае необходимости можно быстро подключить новый вентиль или сантехнику. Для этого предварительно нужно ставить коллекторную конструкцию с несколькими запасными выходами.
Смотреть видео
Опубликовано 02.06.2020 Обновлено 13.06.2020 Пользователем admin
Применение труб REHAU
Всемирно известная компания REHAU выпускает высококачественные трубы и комплектующие, с их помощью легко и просто можно смонтировать водопровод рехау в доме
Важно, что для монтажа труб нужно использовать только инструмент компании REHAU. Это специальные клещи с насадками под нужный размер и натяжка для надежной фиксации муфт
Для работы с этим инструментом требуется определенный навык, чтобы качественно смонтировать водопровод rehau в доме
Если же владелец не уверен в своих силах и не знает, как провести водопровод в дом, то к его услугам множество компаний, которые профессионально выполнят эту работу
Для работы с этим инструментом требуется определенный навык, чтобы качественно смонтировать водопровод rehau в доме. Если же владелец не уверен в своих силах и не знает, как провести водопровод в дом, то к его услугам множество компаний, которые профессионально выполнят эту работу.
Обустройство коллекторного узла в квартире
Принцип функционирования водопроводного коллектора имеет много общего с тройником, но его устройство намного сложнее. У него для поступления воды имеется единственный вход, а вот выходов для нее насчитывается несколько.
Следует отметить, что размеры входного патрубка превышают диаметр водопроводных труб на 30%. По этой причине поступление воды на коллекторный узел водоснабжения в квартире осуществляется быстрее по сравнению с ее расходом, даже когда ее используют несколько потребителей одновременно.

Водопроводный коллектор не имеет больших габаритов, его размеры зависят от числа потребителей горячей и холодной воды. Иногда его устанавливают в пространство, находящееся под мойкой.
Благодаря функционированию коллекторного узла в системе водоснабжения образуется большой поток, который далее делится на несколько меньших. На всех участках водопровода давление постоянно стабильное и величина напора не уменьшается. Пропускная способность, которой обладает коллектор, зависит от его размера, ее во многом определяют параметры входного патрубка.
Для его изготовления используют многие материалы, в том числе:
- нержавеющую сталь;
- латунь;
- полипропилен;
- полиэтилен и т.д.
Устройства из металла обычно оснащены стандартными резьбовыми соединениями. Если запланирована установка пластиковых или металлопластиковых водопроводных труб, используемых владельцами недвижимости все чаще, задействуют коллекторы с компрессионными фитингами или фитингами под пайку поливинилхлоридных труб.
Существуют также устройства с крепежным элементом, который носит название евроконус. Можно задействовать комбинированный способ, предусматривающий использование нескольких методов соединения.
Еще одним важным показателем является количество отводов для подсоединения сантехнического оборудования. Обычно данное число составляет от двух до шести. Прежде, как сделать сантехнику в квартире, если требуется подсоединить к коллектору большое количество точек водозабора, соединяют два или три устройства с определенным количеством выходов.
Для этого на них имеются дополнительные патрубки. Их соединяют, и в результате получается составное устройство. Входы на коллекторах, неиспользуемые для подключения, необходимо закрывать защитной заглушкой, иначе из них будет постоянно вытекать вода.
Кроме этого, существуют коллекторы, которые предназначаются исключительно либо для холодного, либо для горячего водоснабжения. Об этой конструкционной особенности не следует забывать, приступая к выбору подходящего устройства. Перед приобретением коллектора необходимо определиться, из чего сделать водопровод в квартире, а точнее с типом используемых водопроводных труб.
Современные виды коллекторов, которые чаще всего встречаются при обустройстве водопроводов в новостройке, предназначаются для реализации разводки в квартире согласно параллельной схеме. Их обычно снабжают запорными кранами, устанавливаемыми на каждом отводе. Это решение считается одним из лучших, так как при его реализации нет необходимости задействовать запорную арматуру при монтаже всех сантехнических приборов.

В результате удастся сэкономить немалую сумму денег и весь процесс обустройства или замены разводки водоснабжения в квартире займет намного меньше времени. Как правило, перед коллектором размещают обратный клапан, несколько фильтров разного назначения и приборы учета потребления воды.
Некоторые модели коллекторов снабжают встроенными запорными кранами — они позволяют перекрывать подачу воды в квартиру. Если запланирован монтаж латунного коллектора, тогда лучше выбирать устройство без таких кранов, а их установить отдельно.
Прятать трубы или нет?
Вопрос, который часто возникает при полной реконструкции санузла. Ведь положив модный кафель и установив дорогую сантехнику, не очень хочется, чтобы эту красоту разбавляла наружная трубная разводка. Обращаясь к СНиП 2.04.-85 «Внутренний водопровод и канализация зданий», а также его актуализированной редакции СП 30.13330.2012, находим, что:
Чтобы правильно выполнить скрытую прокладку коммуникаций следует учитывать ряд моментов:
- Прежде всего, необходимо выбирать материал, изготовленный известными производителями и приобретать его в официальных точках продаж. Потребуйте у продавца сертификаты соответствия, описание области применения и подтверждение гарантий на сантехнические изделия.
- Предпочтение следует отдавать коробам, фальшпанелям с ревизионным лючками либо съемным декоративно-защитным экранам.
- О том, какие модели труб можно полностью замуровать в бетонные конструкции, следует поинтересоваться еще на стадии их закупки. Однако, общие правила не допускают замоноличивание разборных узлов, в том числе фитингов. К ним должен быть обеспечен свободный доступ для контроля и профилактики. Разрешается заделка гомогенных соединений, выполненных методом диффузионной сварки, при этом число стыков желательно предусматривать минимальным.
Кроме того, при замуровывании в конструкции следует учитывать температурно-механические свойства трубопроводов. У них должен быть либо невысокий коэффициент термического расширения, либо обеспечиваться условия для их свободной деформации. Поэтому, учитывая вышесказанное, для замоноличивания в конструкции лучшим решением будет использование цельных участков из металлопластика, полибутена либо из цельносшитого полиэтилена.
Допускается также замуровывание труб в полы или стены спаянных полипропиленовых. Предпочтение отдают армированной продукции, так как она имеет коэффициент линейного расширения в 5 раз меньший, чем неармированная. Трубы прокладываются в защитных чехлах из упругого материала (типа Энергофлекс) или с запасом по диаметру в сантехнических гофрах. Подобные меры помогают компенсировать температурные деформации линий ГВС, препятствуют образованию конденсата на линиях ХВС.
Распространенные ошибки при монтаже
Перед тем как сделать разводку воды в стенах помещения или в напольных покрытиях, следует продумать схему теплоизоляции. Проходящая по трубам вода охлаждается, отдавая тепло материалам стен дома и увеличивая нагрузку на автономные нагреватели. Металлические магистрали, лишенные изоляционного слоя, покрываются слоем конденсата, который вызывает коррозию. Капли воды впитываются в материал стен, вызывая появление плесени или грибка.
В процессе эксплуатации пластиковые трубы расширяются. При укладке магистралей в каналы, выполненные в стенах, предусматривается запас пространства. На внешнюю часть трубы надевается чехол из синтепона. Если труба уложена в паз без зазора и замазана цементом, то при нагреве поверхность стены трескается, что приводит к осыпанию плитки или порче лакокрасочного покрытия.
В процессе монтажных работ необходимо закрывать торцевые кромки труб для защиты от посторонних предметов. Перед пайкой или сваркой рекомендуется проверить внутреннюю часть трубы на наличие посторонних предметов. При попадании грязи происходит закупоривание линии водоснабжения или засорение водоразборного оборудования. Для удаления засоров придется разбирать часть водопровода или ремонтировать краны или радиаторы нагревательных установок.
Пайка пластиковых труб выполняется специальной индукционной установкой. С поверхности соединяемых элементов удаляются следы грязи и масла, не допускается попадание в соединение воды. Посторонние предметы или жидкость, попавшие в сварной шов, ухудшают прочность соединения. Если трубы проводятся через перекрытие между этажами, то в плитах сверлятся индивидуальные отверстия. Протягивать трубопроводы пучком через единый канал не рекомендуется, поскольку происходит ухудшение условий работы водопроводных магистралей.
В конструкции магистралей предусматриваются запорные вентили, расположенные перед водоразборным устройством или на выходе из коллектора. Рычаги и барашки вентилей должны располагаться на расстоянии друг от друга, обеспечивая возможность поворота.
Типы схем разводки водопровода
На практике разводку выполняют тремя способами:
- с использованием тройников-распределителей – последовательным;
- через коллектор;
- с проходными элементами – розетками.
Выбор схемы разводки водоснабжения в квартире зависит от индивидуальных потребностей владельца жилья и конструктивных особенностей помещения. В некоторых случаях уместно использовать последовательную и коллекторную разводку одновременно.
Тройниковая

Эта схема разводки водопровода в квартире базируется на транспортировке холодной и горячей воды по двум центральным трубопроводам. В местах расположения точек водоразбора с помощью тройников монтируются отводы, по которым вода доходит до потребителя.
Поскольку после начала тока воды через любой кран напор жидкости в магистрали уменьшается, центральную трубу подбирают с большим диаметром, чем внутренние размеры отводов.
Кроме этого, требуется грамотно расположить стыки труб. Лучше всего их устраивать в местах, скрытых от обзора. Например, в закрытых частях моек, ванны, стеновых нишах. Там соединения будут доступны для обслуживания, но не испортят внешний вид помещения.
Недостатком последовательного подключения является полная отсечка ветки от ввода в случае ремонта. Для решения этой проблемы можно устанавливать дополнительные аварийные краны, но увеличение их количества приводит к уменьшению напора. Кроме этого, для тройниковой схемы характерна заделка стыков в стенки. Если труба потечет, то придется разбирать отделку и разбивать стену.
Последовательная разводка будет неэффективной в помещениях с большим количеством точек водоразбора на одной ветке. На таком участке неминуемо произойдет падение давления в самых удаленных от ввода точках, в особенности при одновременной работе нескольких устройств. Следствием таких перепадов могут стать сбои в работе оборудования.
Коллекторная

Коллекторную схему водопроводной разводки выгоднее применять в случае с большим количеством узлов водоснабжения в квартире.
Основное отличие от тройникового варианта заключается в использовании коллектора. Из центрального стояка вода подается на коллектор, а из него – на каждый отдельно взятый сантехнический прибор. Благодаря этому она распределяется равномерно. Поэтому напор в трубопроводе не снижается в самых удаленных от ввода точках.
При необходимости ремонта отсекается только ветка с повреждением, а не весь водопровод. По этой же причине каждую ветку можно смонтировать уникально под нужды отдельно взятого потребителя. На участок, подводящий воду к стиральной машине, может понадобиться установка дополнительных фильтров. А для работы бачка унитаза они будут не нужны.
Для разводки горячей и холодной воды покупают отдельные коллекторы. Между ними и стояками устанавливают краны для прекращения водоснабжения в аварийной ситуации или при ремонте Потребители получают воду из коллекторов, причем к ванне, раковинам подводят ГВС и ХВС. К унитазу и стиральной машине – только холодную, а к полотенцесушителю – только горячую воду.
Если точек водоразбора очень много, то к одной ветке коллектора можно подключить несколько потребителей по тройниковой схеме.
С проходными розетками

Проходной розеткой является соединитель в виде колена с изгибом 90о, с помощью которого подключают водопровод в квартире. В конструкцию розеток входят кронштейны для крепежа к стене, резьбы со стороны подключения потребителя и входные отверстия для спайки с трубой, по которой подается вода.
Для подключения смесителей выпускают двойные розетки на планке. Такие соединители используют для смесителей в ванной или кабине для душа. Существенным недостатком считают сложность монтажа – приходится паять одновременно две трубы.
Как правильно начать?
Не стоит брать пример с тех, кто предпочитает делать все «на глазок». Начать следует с проекта будущей разводки. Это может показаться лишним и даже слишком сложным, но, тем не менее, такой проект необходим. С его помощью можно точно определить оптимальное место для каждого сантехнического прибора, подобрать необходимые детали и элементы трубопроводов и определить их расход.
Начать выполнять проект рекомендуется со списка сантехнического оборудования, которое планируется разместить в санузле
Важно знать, что если в доме туалет и ванная комната разделены, нужно выполнять проект разводки для обоих помещений. Это объясняется тем, что их коммуникации связаны и не могут быть смонтированы обособлено. Определившись со списком сантехники, следует пометить, какие трубы нужно подвести к каждому из устройств
Определившись со списком сантехники, следует пометить, какие трубы нужно подвести к каждому из устройств.
Ориентироваться можно на такую схему:
- Ванна любого типа или душевая кабинка. Подключается холодное, горячее водоснабжение, а так же канализация.
- Умывальник-раковина. Подводится канализация, горячий и холодный водопровод.
- Биде. Соединяется с трубопроводом горячего, холодного водоснабжения и с канализацией.
- Унитаз. Подключается холодная вода и канализационная магистраль.
- Стиральная машинка. Подводится канализация и холодное водоснабжение.
На следующем этапе нужно построить схему-основу будущего проекта. Для этого выполняются точные замеры помещения, по которым впоследствии строится схема. Ее желательно выполнять на миллиметровке в подходящем масштабе. Все размеры должны быть точно соблюдены
Это важное условие выполнения грамотного проекта. Точно также измеряются все сантехнические приборы. Их размеры нужны для того, чтобы максимально точно «вписать» оборудование в помещение
Их размеры нужны для того, чтобы максимально точно «вписать» оборудование в помещение.
Если пока еще нет твердого решения относительно места расположения сантехники, можно поступить следующим образом. На бумаге точно по произведенным замерам и в таком же, как у схемы помещения масштабе строится схематическое изображение каждого сантехнического прибора. Затем оно вырезается, и полученные фигуры можно как угодно располагать на схеме помещения, добиваясь оптимального расположения приборов.
При этом нужно учесть следующие требования. Первым от канализационного стояка традиционно устанавливается унитаз. Оптимально, чтобы его выпуск посредством фитинга соединялся со стояком. Большое расстояние от стояка, а тем более наличие в трубопроводе поворотов будет провоцировать засоры и не позволит оборудованию нормально работать.
Сантехнические приборы желательно располагать таким образом, чтобы стоки от них проливались через унитаз. Это станет очень хорошей профилактикой засоров. Кроме унитаза максимально близко к канализационному стояку рекомендуется размещать ванну или душевую кабинку с низким сливом. Это необходимо для предотвращения возможных проблем с уклоном. Остальное сантехническое оборудование может быть размещено на любом удобном расстоянии.
Кроме того, желательно внимательно изучить техническую документацию на сантехническое оборудование на предмет его подключения. Если предполагается типовой вариант, который предусматривает одноуровневое расположение трубопровода и оси канализационного выпуска прибора, никаких проблем не возникнет. Если же предполагается нетиповое подключение, следует подготовиться ко всем его особенностям.
Чаще всего вариации в подключении могут быть у унитазов. В зависимости от модели их слив может быть наклонным или прямым, а так же направляться в сторону пола или стены. Нетипичным может быть подключение и у душевых поддонов и ванн. Развязки их слива могут быть выполнены самым разным образом. Все эти особенности необходимо учесть еще на этапе проектирования.
После того, как места установки сантехники фиксируются, начинается работа с размещением подходящих к ним трубопроводов. Масштаб схемы должен строго соблюдаться, только так удастся выполнить правильную разводку труб в ванной. Важный нюанс. Занимаясь «расстановкой» сантехники и мебели, не нужно забывать о том, что все двери в помещении должны свободно открываться и к каждым устройством должно быть удобно пользоваться.
Какие понадобятся материалы и во сколько они обойдутся
Обращайте внимание при выборе труб на такие характеристики, как экологическая безвредность, способность выдерживать давление и температуру, сочетаемость с магистральным трубопроводом. Не забывайте учитывать и поправку на их стоимость
- Металлические трубы:
- стальные — продолжают оставаться популярными благодаря прочности и теплопроводности;
- медные — долговечные и абсолютно надежные, но стоят дороже.
- Пластиковые трубы:
- полиэтиленовые — прочные, эластичные, но не выносят горячей воды;
- поливинилхлоридные — неприемлемы для питьевой воды из-за того, что могут выделять токсичные вещества;
- полипропиленовые — наиболее подходящий по всем параметрам вариант в условиях ванной комнаты, долговечны, пригодны для горячей воды.
Металлопластиковые трубы способны совмещать легкость пластиковых материалов с прочностью металла. Их рекомендуется применять при разводке коллекторным способом.
Схема укладки труб в ванной

После того как вы определились с количеством оборудования и местом их приблизительной установки, перед тем как сделать разводку в ванной необходимо всё это оборудование приобрести, детально изучить их инструкции по подключению и записать габаритные размеры. Далее сделайте пометки в ванном помещении и условно обозначьте места расположения этих предметов для наглядности.
На следующем этапе создается схема разводки труб в ванной на обычном листе бумаги. Создавая предварительный план, для того чтоб избежать различных ошибок и не усложнять процесс монтажа, рекомендуется пользоваться специальными правилами разводки. В этих правилах рекомендуется:
- подводка труб в ванной (по возможности) должна иметь как можно меньше пересекающихся между собой магистралей;
- в случае с открытой укладкой, старайтесь систему водопровода укладывать вместе с трубами канализации максимально близко, это позволит уменьшить оббьем скрывающего короба;
- при составлении плана, разводка в ванной комнате должна обеспечивать свободный доступ ко всем соединениям с установленными гибкими шлангами;
- старайтесь основные трубы укладывать на полу, а отводящие магистрали к потребителям направлять вертикально вверх не допуская косых линий.
Если вы будете проделывать всю работу самостоятельно, то старайтесь сделать так, чтоб прокладка сантехники в ванной была максимально простой и с минимальным количеством соединений.

После того как схема составлена и все места установки потребителей определены, можно приступать к проделыванию канавок в стенах и укладке водопроводных магистралей. Разводка воды в ванной комнате с использованием ПВХ труб может проводиться в обоих направлениях, от крайнего потребителя к стояку или от основного стояка к потребителю. Для качественного соединения нам потребуется специальный паяльник для горячей прессовки, если мы не делаем разводку труб в ванной на коммерческой основе, то такой инструмент покупать совсем не обязательно, можно просто взять его в аренду.
https://youtube.com/watch?v=8jOI8k-KkUk
Ниже представлено фото современного и дорогого и надежного способа разводки сантехники трубами REHAU Stabil (Pink) и медью, с применением коллекторной системы, фильтров очистки, КФРД, проточного водонагревателя и системы защиты от протечек.

Варианты разводки труб
Место может быть открытого или закрытого типа. Все зависит от ситуации. Но и у первого, и у второго варианта есть как свои плюсы, так и минусы. Но в любом случае, есть ряд рекомендаций, которые настоятельно следует выполнять:
Удобство доступа. Никто не застрахован от поломок. Поэтому вне зависимости от того, будут ли трубы спрятаны (например, в нишу), замурованы в стену или останутся на видном месте, всегда должна быть возможность к ним приблизиться, хотя бы для того чтобы перекрыть воду. Если принято решение убрать трубопровод с глаз, то необходимо позаботиться о специальных люках.
Для тех, кто не располагает финансами, можно использовать открытую разводку. Но сразу стоит отметить, что из-за отсутствия защиты будет постоянно образовываться конденсат, к тому же с точки зрения эстетики — это не самый лучший вариант.
Монтаж канализации
Этап 1. Подготовка
Если вы не поленились и начертили схему будущей канализационной системы, ее монтаж не вызовет трудностей.
Рассмотрим более детально каждую стадию работы:
- Нужно вычислить и купить нужное количество фитингов и переходников разного диаметра.
- После этого направляться нарезать трубы на отрезки нужной длины. Если вы не владеете обширным опытом, лучше делать это перед установкой. Так возможно примерять их на месте.
- Порезка производится посредством ножовки по металлу. Перед этим рекомендуется разметить срез, дабы торец был ровным и угол составлял 90 градусов. В другом случае вероятны неприятности со состыковкой отдельных деталей. Края трубы направляться шепетильно зачистить ножом или наждачной бумагой.
- Все трубы должны устанавливаться под маленьким уклоном. Удаление канализационных отходов происходит не посредством насосов, а под действием земного притяжения. Фиксировать наклон трубы возможно посредством особых скоб, продающихся в строительных магазинах.

Этап 2. Монтаж стояка
Замена центральной трубы – наиболее важная стадия всей работы. Перед тем как создавать ее разборку, направляться убедиться, вправду ли это нужно. В случае, в то время, когда чугунный стояк хорошо сохранился, лучше покинуть все на месте.
Для замены подойдет труба размером от 160 до 220 мм (в зависимости от диаметра использованного ранее чугунного слива).
В случае если ваша квартира находится не на верхнем этаже, направляться предусмотреть дополнительные крепления. В другом случае пластик может не выдержать веса чугунного стояка, расположенного у соседей сверху.
Схема замены такова:
- в нижней части монтируется тройник либо крестовина, закрепляемая посредством резиновой манжеты, смазанной герметиком,
- для удержания центральной канализационной трубы употребляются хомуты, поставляемые в наборе,
- не забудьте осмотреть монтируемый стояк на предмет трещин и других повреждений,
- все раструбы должны быть направлены по ходу тока воды.
Этап 3. Монтаж труб
По окончанию подготовительного этапа возможно приступать конкретно к сборке готовой системы. Монтаж канализационных труб в ванной комнате занимает около 2 часов. Конструирование сложной системы удаления отходов в громадном частном доме может ‘настойчиво попросить’ 2-3 дней.
Процесс сборки не требует особенных навыков или применения особых инструментов.
Затевать работу направляться от стояка. После этого, монтируя секцию за секцией, трубы доводятся до сантехнических устройств.
Соединения производятся без применения герметиков, клея и паяльника. Достаточно только вставить трубу до упора, не допуская перекосов. Герметичная резинка, которой оборудованы фитинги, не допустит протечек.
Обратите внимание! Уплотнитель и труба должны быть чистыми. Лишь в этом случае соединение будет надежным и долговечным. В другом случае вероятны аварии, ущерб от которых возможно намного больше, чем цена всего произведенного ремонта
В другом случае вероятны аварии, ущерб от которых возможно намного больше, чем цена всего произведенного ремонта.
Нарушение герметичности может привести и к появлению неприятного запаха. Потому в ходе монтажа будьте особенно внимательны. Возможно кроме того смазать резиновые детали мыльным раствором или вазелином, добиваясь более плотного соединения.
Когда вся система собрана, к ней необходимо подсоединить устройства. Не забудьте, что для ванны и раковины в обязательном порядке наличие сифонов.
Этап 4. Тестирование
По окончании завершения работы направляться убедиться в ее качестве и надежности.
С целью этого нужно включить на полную мощность все устройства, имеющиеся в ванной комнате. Возможно кроме этого набрать воды в ведро и резко вылить ее в ванну, унитаз либо умывальник.
Лишь такие действия смогут проверить готовую систему на надежность. Шепетильно обследуйте все соединения. В случае если найдена протечка, проблемный узел потребуется собрать заново.
В крайнем случае, возможно применять особый сантехнический клей. Им обрабатывается резиновый уплотнитель, по окончании чего труба вставляется в фитинг и оставляется на некоторое время до застывания состава. Затем тестирование повторяется снова.
Составляем схему
Определившись с типом коммуникационных подключений (коллекторно или последовательно) с теми приборами и устройствами, которые будут в неё включены, приступаем к непосредственной разработке схемы разводки водопровода в квартире. Она поможет правильно рассчитать метраж труб, количество и виды фитингов, вспомогательных деталей на этапе закупок, упростит и сократит время монтажных операций. Напротив, приступая к сборке коммуникаций без их подробного описания, значительно увеличиваются шансы совершать ошибки, которые приводят к переделкам, а также к перерасходу недешевых материалов.

Рисунок 1. Схема водопровода (кликните для увеличения).
Профессионалы, разрабатывая монтажные схемы (рисунок 1), используют определенный нормативный порядок, специальные расчеты. Если у вас есть возможность заказать и оплатить такую работу, то это будет только вам в плюс. На схеме, а она является частью проектной документации на проведение капитального ремонта или реконструкции санузла, будет указана важная для вас информация:
- точки водоразбора с наименованиями приборов подключения;
- трубопроводы (ХВ, ГВ) с указанием их диаметров, типом материала, направлением тока воды;
- распределительные и запорно-регулирующие устройства;
- аварийная автоматика;
- водомерные приборы.
Тем не менее, вполне работоспособную схему можно составить и своими усилиями. При этом все равно следует ориентироваться на основные правила построения квартирной разводки, описываемые в этой статье, хорошо продумать не только расположение сантехники, но и установку важных вспомогательных устройств.
Сварка полипропиленовых труб
Соединение труб, изготовленных из полипропилена, в том числе армированных, производится свариванием:
- Трубы разрезают специальными ножницами, получая отрезки определенной длины.
- Отмечают места сварки, которые нужно очистить, используя влажную спиртовую салфетку.
- Установив на сварочном аппарате необходимые насадки, включаем прибор и выставляем на нем температуру.
- После нагревания аппарата (лампочки погаснут) надвигаем отрезки труб на насадки до отметок, но без проворачивания.
Когда трубы уже заведены, ждем несколько секунд и снимаем насадки (пусть ваш помощник удерживает аппарат), после чего четко и быстро соединяем трубы и немного держим их вместе. Результатом будет ровное соединение. Когда итог не нравится, участок соединения отрезается, а процедура проводится сначала. Сваренные трубы ненадолго оставляют для остывания, а затем используют.
Полезные видеоматериалы по теме статьи
Тонкости обустройства разводки труб в ванной:
Как правильно выполнить скрытую разводку:
Как правильно обустроить выводы водопровода и канализации:
Самостоятельно выполнить разводку труб в ванной комнате или в совмещенном санузле вполне по силам домашнему мастеру. Неопытному сантехнику нужно строго соблюдать требования инструкций, грамотно и качественно исполнять все работы, правильно выбрать трубы и другие элементы. Это не так уж и сложно. Если появились сомнения в собственных силах, стоит пригласить опытного наставника или обратиться за помощью к профессионалам.
Выбор способа и вида разводки
Правильно выполненная разводка труб в ванной
Выбирая схему разводки труб в ванной комнате, следует понимать, что в любой ситуации она состоит из центрального трубопровода, от которого отходят ветки для подключения точек водораздачи и оборудования. При этом надо учитывать, что часто требуется присоединение к трём магистралям – трубопроводам холодной и горячей воды, а также к системе канализации.
Несмотря на различное назначение, как правило, все системы проходят рядом друг с другом, хоть нередко берут своё начало в разных местах. Так, в квартирах с централизованным горячим и холодным водоснабжением, они подключаются к стоякам. Если же источником горячей воды выступает автономный водонагреватель, то в центре системы горячего водоснабжения оказывается именно он. В остальном разницы между разводкой труб в этих двух случаях практически нет.
Способы монтажа: преимущества и недостатки
Скрытая разводка труб в ванной предполагает штробирование или размещение трубопроводов в нишах
Монтаж любого трубопровода возможен двумя способами – открытым и закрытым (скрытая прокладка). С точки зрения простоты, надёжности и удобства обслуживания, открытый монтаж предпочтительней. Судите сами – в этом случае трубопровод виден как на ладони, поэтому малейшая протечка или неисправность будет замечена без промедления. Вместе с тем можно отметить и недостаток этого метода при эксплуатации водопровода в холодное время года. Большая разница в температурах воды и воздуха способствует образованию конденсата.
Совсем другая ситуация возникает при скрытом монтаже. Во-первых, этот метод более трудоёмок, так как предполагает укладку труб в ниши. При этом должны выполняться такие условия:
- Штробирование несущих стен запрещено СНиПом.
- Стыки труб, проходящих внутри стены, не допускаются.
- Соединение труб, подключение к ним запорной арматуры и других элементов коммуникационных систем разрешается только в доступных местах.
- Трубы, проходящие внутри стен, обязательно должны защищаться гофрорукавами или металлическими пеналами.
Несмотря на всю сложность закрытых систем, современный ремонт предполагает именно скрытый монтаж. Можно сказать, что надёжность и простота отданы на откуп дизайну, стилю и эстетике.
Виды разводки
Специалисты-сантехники различают три вида разводки трубопроводов:
- с проходными розетками;
- последовательная разводка;
- коллекторная разводка.
Монтаж трубопроводов с проходными розетками практически не используется ввиду высокой сложности и повышенного расхода материалов. Остальные два способа имеют как преимущества, так и недостатки.
Последовательная разводка
Простой и незамысловатый способ монтажа напорных трубопроводов. Представляет собой центральную магистраль с линиями, отходящими к потребителям. Наряду с его главными достоинствами – простотой и экономичностью, последовательная разводка имеет и большой недостаток. Дело в том, что при таком подключении напор воды при одновременном включении нескольких водоразборных точек будет снижаться по мере удаления от стояка или водонагревателя. К тому же при необходимости ремонта или обслуживания одного прибора, потребуется полностью перекрывать подачу воды, если только не установить отдельные шаровые краны на каждую ветку в отдельности.
Последовательная (тройниковая) разводка труб
Коллекторная разводка
Такой вариант заключается в подведении отдельного трубопровода от распределительного коллектора к каждому потребителю. В этом случае, независимо от количества одновременно включённых устройств, давление будет распределяться равномерно. К тому же, перекрыть любую ветку для ремонта не составит труда, – достаточно закрыть соответствующий вентиль коллектора. К сожалению, этот метод не лишён недостатков. Главный из них – повышенный расход материалов для монтажа, вследствие чего стоимость системы увеличивается в несколько раз по сравнению с последовательным подключением.
Параллельная (коллекторная) разводка труб в ванной























